Gpixel社のCMOSセンサーGLT5009BSIを搭載した超高速・高感度の9K TDIラインスキャンカメラです。水平解像度9072画素の5×5μm裏面照射型CMOSで、CXP-12×4Lane出力時に最大531kHzの撮像が可能です。
また、TDI転送段数を256段と32段を共に有しているので、メンテナンスに手間の掛かる高価な高照度照明が不要になり、カメラのTDI撮像でトータルコストが削減可能になります。TDIカメラの強みを生かした低照度下における高速撮像や大型の対象物の検査、既存のラインスキャンカメラよりもさらに高速・高感度を必要とする検査用途のニーズに最適です。
Lineup
| 型番 | 解像度 | センサー | 白黒/カラー | ラインレート | 有効画素数 (H×V, pixels) |
セルサイズ (H×V, μm) |
レンズ マウント |
備考 |
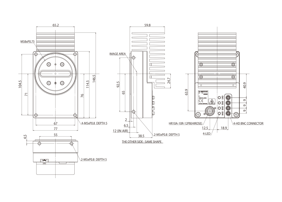
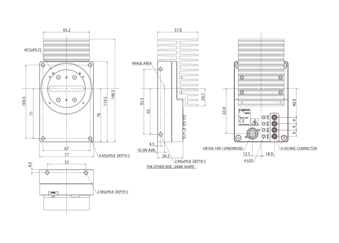
| BL-GM9KTD12X4-* | 9k | GLT5009BSI | mono | 531kHz | 9072×288(256+32) | 5.0×5.0 | M58/M72 | CXP-12/-10/-6/-3, MicroBNCコネクタ×4 |
※お問い合わせの際は、型番末尾にご希望のレンズマウントを明記してください。
External view
Connection flow
Application
半導体検査
PCB検査
FPD検査
フィルム・シート検査
各種計測・検査
Contact
弊社取扱商品に関するお問い合せやご質問、その他何でも、
まずはご相談ください。
TEL.045-548-3566
<受付時間 平日/9:00~18:00>