Gpixel社のハイスピードCMOSセンサーシリーズ”GSPRINT”を搭載した高速・高解像度カメラです。10MP・21MPモデルは4.5×4.5µm、14MPモデルは5.5×5.5µm 画素CMOSで、全モデル200fps以上の出力が可能な為、より高いフレームレートかつ高解像度を必要とするアプリケーションに最適なカメラシリーズです。
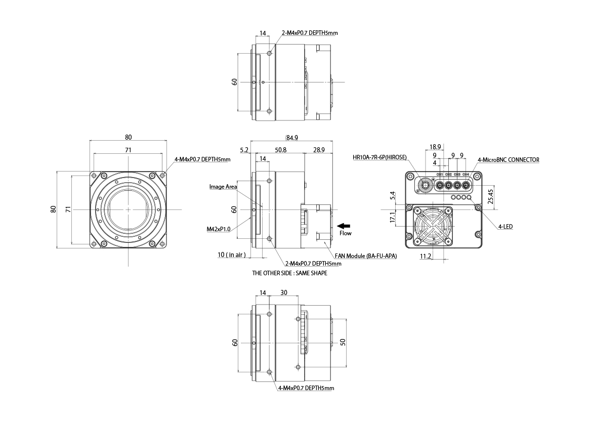
Ultra Low Power FPGAの搭載かつ優れた設計技術によってファンレス筐体を実現しました。消費電力が低く放熱性に優れた筐体設計となっている為、冷却ファンやヒートシンクなどの放熱アイテムなしでご使用いただけますが、より高い冷却効率を目的としたファン付きモデルもご用意しております。
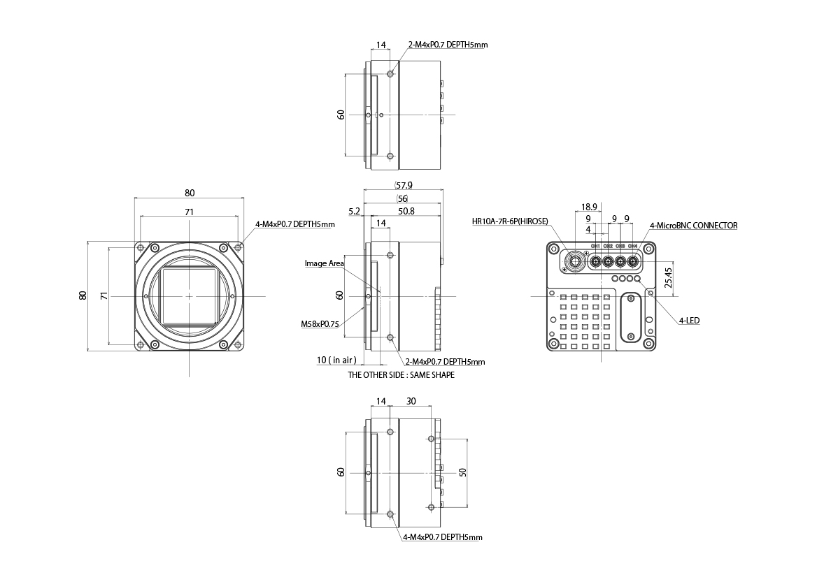
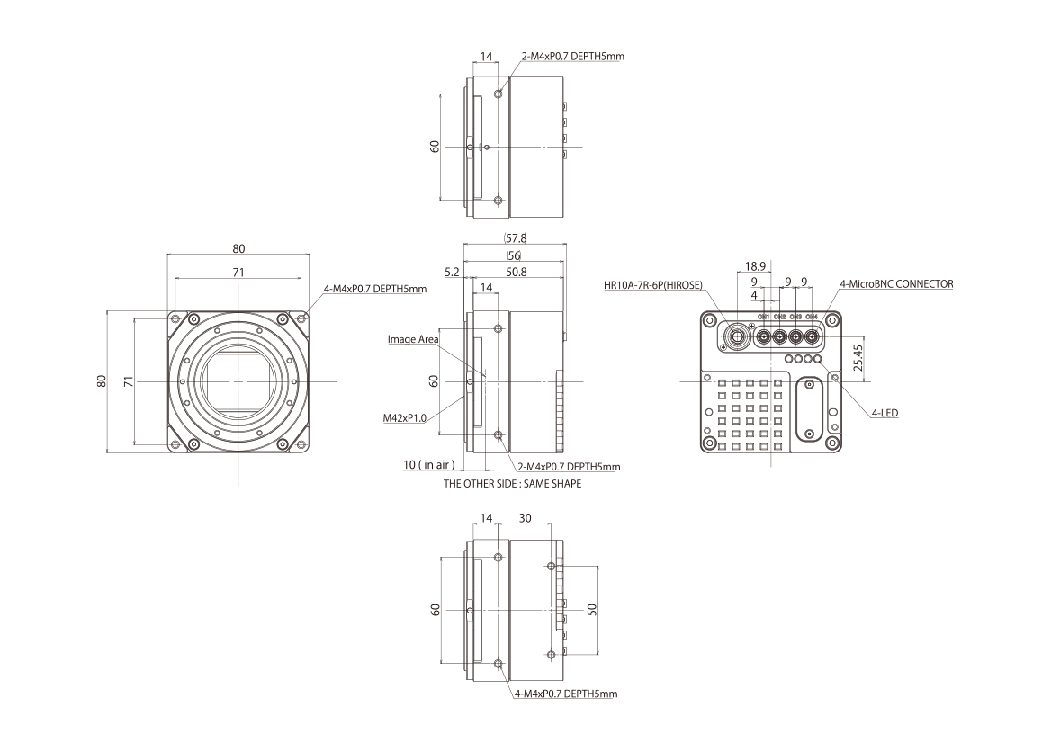
フロント面と4側面に取り付け用タップも装備しており、高速化・高画素化が求められるファクトリーオートメーションの各種用途に最適です。
Lineup
Standard Model
| 型番 | 解像度 | センサー | 白黒/カラー | フレーム レート |
有効画素数 (H×V, pixels) |
センサー サイズ |
セルサイズ (H×V, μm) |
レンズ マウント |
備考 |
| BC-GM10M12X4-* |
10MP |
GSPRINT4510 |
mono | 470.1fps |
4608×2176 | 4/3 | 4.5×4.5 | M42 / M58 / F | CXP-12 / -10 / -6 / -3, MicroBNCコネクタ×4 |
| BC-GC10M12X4-* |
color | ||||||||
| BC-GM10M12X4-*-FAN |
mono | CXP-12 / -10 / -6 / -3, MicroBNCコネクタ×4, FAN付属モデル | |||||||
| BC-GC10M12X4-*-FAN |
color | ||||||||
| BC-GM14M12X4-* |
14MP |
GSPRINT5514 |
mono | 334.5fps | 4608×3072 | APS-C (30.46mm) |
5.5×5.5 | CXP-12 / -10 / -6 / -3, MicroBNCコネクタ×4 | |
| BC-GC14M12X4-* |
color | ||||||||
| BC-GM14M12X4-*-FAN |
mono | CXP-12 / -10 / -6 / -3, MicroBNCコネクタ×4, FAN付属モデル | |||||||
| BC-GC14M12X4-*-FAN |
color | ||||||||
| BC-GM21M12X4-* |
21MP |
GSPRINT4521 |
mono | 229.1fps |
5120×4096 | APS-C (29.5mm) |
4.5×4.5 | CXP-12 / -10 / -6 / -3, MicroBNCコネクタ×4 | |
| BC-GC21M12X4-* |
color | ||||||||
| BC-GM21M12X4-*-FAN |
mono | CXP-12 / -10 / -6 / -3, MicroBNCコネクタ×4, FAN付属モデル | |||||||
| BC-GC21M12X4-*-FAN |
color |
※お問い合わせの際は、型番末尾にご希望のレンズマウントを明記してください。
Features
GSPRINT5514搭載の14MPモデルは5.5×5.5μm画素CMOSの為、水平方向の解像度を4608pxから4096pxに設定変更するだけで、市場で広く普及している12MPカメラと全く同じ解像度・光学サイズを実現します。既存の光学系はそのままに、さらなる高速化を可能にしました。

External view
Connection flow
Application
半導体前工程
外観検査
半導体後工程
外観検査
半導体部品
最終外観検査
実装済基板
外観検査
各種
アライメント
Contact
弊社取扱商品に関するお問い合せやご質問、その他何でも、
まずはご相談ください。
TEL.045-548-3566
<受付時間 平日/9:00~18:00>